博大精深 细致入微
如何加速FF现场总线自动化智能仪表开发进度
2022-09-21
当前,国际上正在进行的以现场总线技术为先导的自动化技术革新,是第四代仪表智能型数字化产品,这种产品的应用必须是普及的、网络化的和开放的,也只有在大家都使用统一的现场总线标准并具有可互操作的基础上,才可能真正地实现扩大的网络化应用。对此,面对HART仪表和国际基金会现场总线技术已经或正在成熟的今天,如何加速开发国内的智能化仪表是行业内必须考虑的一件事。
一、采用什么样的专用芯片
目前,国际和国内智能型仪表应用的最大量的是HART,占40%,其次是FF H1和PROFIBUS PA占10%,剩余的模拟仪表占50%,改造的对象是面向这部分仪表,开发的产品应该兼顾HART和两种总线。
开发的内容主要涉及到现场总线的通信芯片和仪表智能模板,两部分可分开制作,也可以合起来。开发过程中要使用的工具是开发的套件和源码,并在初步完成后,到国际上相关单位进行测试认证。
开发智能型总线仪表,需要的数字化、计算机和网络等技术较高,国内的一般企业不希望前期的高投入。加之开发过程对需要首先获得必要的资质和获得相应的标准,这些条件阻碍了国内厂家的开发步伐。
我国在"九五"和"十五"期间,国家科技部和发改委曾立项资助开发工作,并在中国科学院沈阳自动化研究所等单位获得了成功,国内企业的后续开发,应采取合作的形式,减少开发时间,开发更多的产品。
二、开发的芯片品种
根据市场需要,目前有的品种是,适用于FF H1、PROFIBUS PA总线产品的专用芯片FBC0409和适用于HART总线产品的专用芯片HT1200M,各自的特点是:
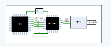
1、FBC0409专用芯片

图一:FBC0409典型应用电路
采用低速总线31.25Kbit/S数据传输速率,曼彻斯特编码,具备线路极性自动识别及校正,44脚QFP封装;适配大多数微处理器接口,内嵌4K BYTE RAM单元,可存放总线报文;提供DMA控制器和总线仲裁器,实现总线数据的高效收发;支持发送、接收、目的地址识别和内部总线仲裁机制,提高报文处理效率;提供1ms、1/32ms、OCTET time三种定时器,可满足协议定时需求;FBC0409典型应用电路。
2、 HT1200M专用芯片
HT1200M是用于HART产品开发的低功耗调制解调芯片,只需外接少量元件即可完成HART信号的调制解调电路设计,是一款在性能、成本、质量等各方面最为理想的通信芯片。HT1200M与市场上广泛采用的HT20C15及SYM20C15芯片性能、功能及管脚完全兼容,可以直接替代。
芯片采用单片、半双工1200b/s速率的频移键控调制解调器,集成接收带通滤波器电路和发送信号波形整形电路,外接460.8kHz晶体或陶瓷滤波器和内部时钟振荡器或外部时钟输入。
HT1200M典型应用电路

三、如何开发现场总线协议软件
利用传统开发模式开发总线型仪表通信协议,技术难度大,调试时间长,投入也较大。如果采用新型主流技术集成模式开发,可加速开发速度,减少测试费用,快速使仪表投入市场。
1、FF通信协议栈特点
目前,沈阳中科博微自动化技术有限公司分别开发完成了FF H1、HSE协议栈的软件开发,且实现了HSE与H1协议转换功能。通过了FF一致性测试和互操作测试,协议栈支持标准的FMS,SM服务、Link Master功能、变换块、标准功能块和高级功能块、支持功能块实例化。开发过程提供功能块源文件模板。
该集成开发平台还支持PROFIBUS PA协议,可用于开发Profibus PA产品。
2、选购协议栈软件源码
为加速开发栈协议软件源代码,最捷径的做法是,利用已有的源代码进行移植。目前,已开发成功的FF H1和Profibus PA的源码是基于FBC0409专用芯片。这种源码是采用标准C代码写成的,使用Nncleus操作系统。
3、选购协议栈开发工具套件
对于用户来说,需要的条件是,技术人员需要具备一定的数字仪表开发能力,可以读懂和使用协议或辅助开发文本。可以提供的条件有:硬件原理图、PCB图、设备能力文件(CFF)描述模板(FF H1)、设备描述模板源代码(DDL语言,FF H1)、GSD文件模板(文本文件,Profibus PA)、功能块源代码(C语言)以及协议库(FF H1或者Profibus PA)和操作系统的接口硬件。
在开发圆卡时,最重要的是掌握开发包工具,这包括Fieldbus ToolKit For FF/PA。这些工具如果是基金会会员可以从基金会获得,如果不是会员,必须通过合作开发的方式,借助于合作单位的技术储备。
四、现场总线通信模块构成
选择现场总线通信模块进行OEM定制开发是快速而有效的产品开发方法之一。这里需要考虑的有,使用串口:通过异步串口UART实现数据交换、自定义通信协议,或者是I/O接口:通过I/O接口直接采集电阻、电压物理信号,以便确定如何设计仪表卡功耗、功能、性能和功耗之间做平衡选择。

1、现场总线通信模块
通信模块适用于自动化仪表中的温度、压力、流量、液位、执行机构
所有用户以上仪表中的通信模块,必须符合以下条件,即协议的一致性测试、FF/PA的国际测试、EMC认证和本安认证等,这样才可能正式安装在仪表中上市。
2、FF/PA圆卡技术指标
CPU:AT91M0800
FLASH:512K
RAM:1M
总线供电:9~32VDC
总线电流:≤15mA
工作温度:-30℃~+70℃
仪表精度:0.1%
支持FF H1标准功能块(AI、AO、DI、DO、PID、IS等);或者支持满足Profibus PA标准功能块(AI、AO、DI、DO)。
3、HART现场总线圆卡的技术指标
通过物理层一致性测试
4~20mA输出叠加HART协议数字通讯(两线制)
可通过手持器或PC机组态调试软件远程管理
通过IECEx体系防爆认证
通过电磁兼容测试认证
支持CPU故障报警,写保护跳线
接口卡通信:串口及I/O方式,最多4个I/O
与传感器的连接部分:光耦隔离
五、现场总线控制系统的开发

图四:现场总线控制系统
在完成总线性智能仪表开发的基础上,可以进行总线控制系统的合作开发,此项工作要求用户应有一定的系统集成能力,并正在使用着某种控制系统,在此基础上进行改造、升级和软硬件的移植,才可能掌握难度较高的现场总线控制系统。
目前,中科博微具有的项目是,现场总线控制系统(NCS4000);装备专用一体化控制器(NCS-MPLC )和FF网关设备(NCS-LD105)。对于仪表的自动化仪表企业来说,后续的系统开发可能需要考虑的因素较多,应根据自身和市场条件制定出长远的开发计划。
目前,中国科学院沈阳自动化研究所、中科博微和国内及国外多个企业合作开发了多项产品,其中有压力变送器、温度变送器、电磁流量计、电动执行器、执行机构等。希望能采用OEM的方式,双方本着各自的优势,进行合作,定能将国内的智能型总线产品搞上去。
中国科学院沈阳自动化研究所、中科搏微是国际现场总线基金会的会员单位,希望国内有条件的单位加入到现场总线基金会中来,同时也欢迎利用我们已取得的经验和现有产品,进行OEM式的开发,共同把智能化仪表搞上去。
FBC0409:

HT1200M:

<< 上一页
下一页 >>